Giải Pháp Ptechcor: Hệ Thống RO Dược Phẩm & Nước WFI Đạt Chuẩn GMP-EU
Tại Ptechcor, chúng tôi hiểu rằng trong ngành dược phẩm, chất lượng nước không chỉ là yêu cầu kỹ thuật mà còn là yếu tố quyết định đến an toàn và hiệu quả của sản phẩm. Đặc biệt, nước tinh khiết (Purified Water - PW) và nước pha tiêm (Water for Injection - WFI) phải đáp ứng nghiêm ngặt tiêu chuẩn GMP-EU. Chúng tôi cung cấp giải pháp tổng thể từ thiết kế, lắp đặt, đến thẩm định hệ thống RO dược phẩm và WFI, đảm bảo khách hàng đạt chuẩn quốc tế, tối ưu chi phí và vận hành bền vững.

Với cách lấy thông tin đầy đủ của đội ngũ kỹ sư sẽ là cơ sở ban đầu cho việc thiết kế.
1. Tầm Quan Trọng Của GMP-EU Trong Hệ Thống Nước Dược Phẩm
GMP-EU là bộ tiêu chuẩn chất lượng khắt khe nhất trong sản xuất dược phẩm tại châu Âu, yêu cầu mọi quy trình, trang thiết bị, và hệ thống phụ trợ – đặc biệt là hệ thống nước – phải được thiết kế và vận hành theo chuẩn mực. Nước WFI và PW dùng trong sản xuất thuốc tiêm, dung dịch truyền, và các chế phẩm nhạy cảm đòi hỏi độ tinh khiết cao, không chứa vi sinh, pyrogen, và đạt chỉ tiêu TOC, độ dẫn điện theo dược điển.
Cơ sở để tham chiếu là các tài liệu đầu ngành:
Bộ tài liệu hệ thống RO/WFI theo tiêu chuẩn GMP-EU được xây dựng dựa trên mô hình chữ V (V-model), gồm các giai đoạn:
Giai đoạn Lập kế hoạch & Yêu cầu
VMP (Validation Master Plan): Chiến lược thẩm định tổng thể, phạm vi, trách nhiệm.
URS: Yêu cầu người dùng (công suất, chất lượng, vật liệu, tự động hóa, 21 CFR Part 11).
FS: Đặc tả chức năng, logic điều khiển, trình tự vận hành.
DS/DDS: Thiết kế chi tiết (thiết bị, vật liệu, P&ID, sơ đồ điện).
RA: Phân tích rủi ro và biện pháp giảm thiểu.
Giai đoạn Thiết kế & Xây dựng
Bản vẽ: P&ID, bố trí tổng thể, sơ đồ điện, layout.
Vật liệu: Inox 316L, chứng chỉ độ nhám ≤ 0,8 µm.
Lắp đặt: Nhật ký hàn, kiểm tra mối hàn, chứng chỉ hiệu chuẩn, thụ động hóa, thử áp lực.
FAT: Thử nghiệm tại nhà máy chế tạo.
Giai đoạn Kiểm định (Qualification)
IQ: Xác minh lắp đặt đúng thiết kế.
OQ: Kiểm tra vận hành theo chức năng.
PQ: Xác nhận hiệu năng ổn định trong điều kiện thực tế.
Giai đoạn Vận hành & Bảo trì
SOP: Quy trình vận hành, vệ sinh, bảo trì, hiệu chuẩn.
Kế hoạch bảo trì: Định kỳ, phòng ngừa.
Logbook: Nhật ký vận hành, bảo trì, lấy mẫu.
Change Control & Deviation: Kiểm soát thay đổi và xử lý sự cố.
Đánh giá định kỳ: Hiệu suất và chất lượng nước.
Bộ tài liệu này là nền tảng để chứng minh rằng hệ thống nước RO/WFI hoạt động một cách đáng tin cậy, nhất quán và liên tục sản xuất nước đạt chất lượng dược phẩm theo các tiêu chuẩn GMP-EU.
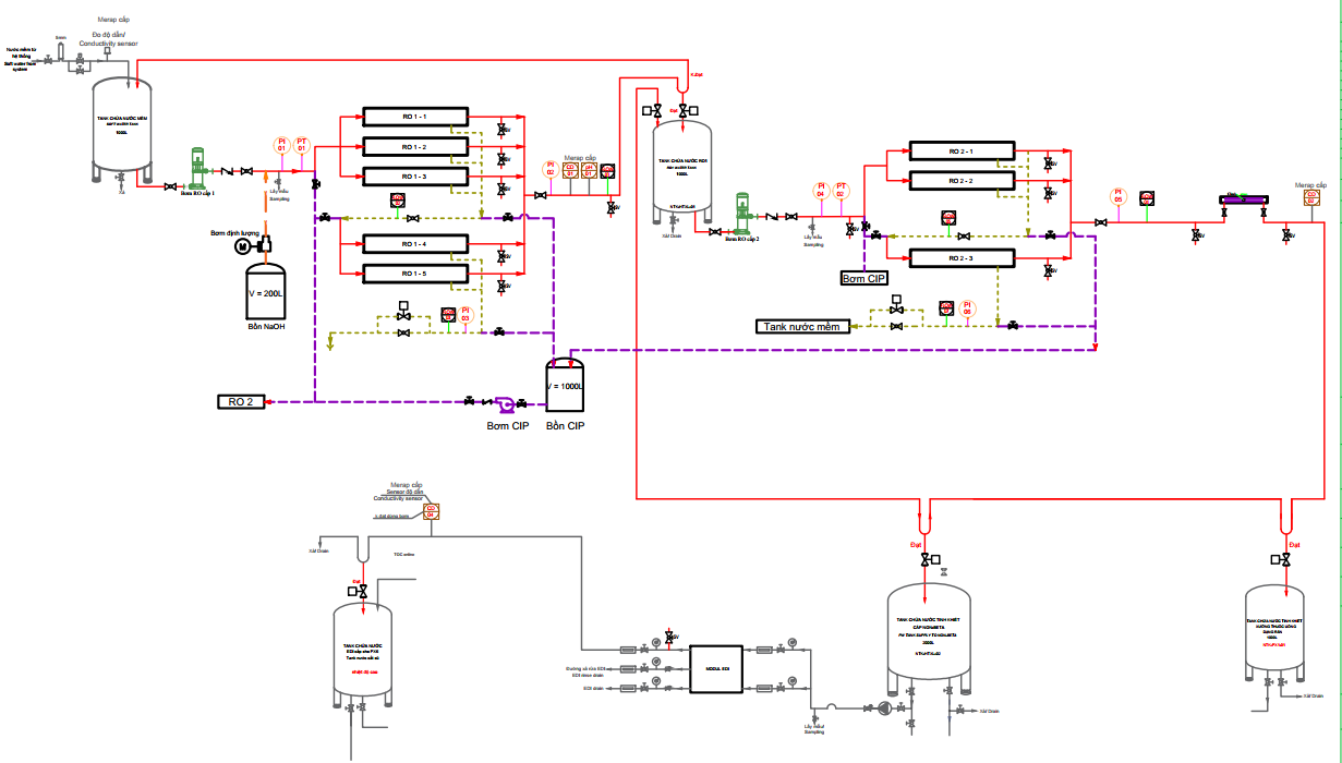
2. Công Nghệ RO Dược Phẩm – Cốt Lõi Trong Chuỗi Xử Lý Nước
Hệ thống RO (Reverse Osmosis) là trung tâm của dây chuyền xử lý nước dược phẩm. Với khả năng loại bỏ tới 99% tạp chất hòa tan, ion và vi sinh, RO đảm bảo nền tảng chất lượng để sản xuất PW và WFI. Tại Ptechcor, chúng tôi thiết kế hệ thống RO kết hợp tiền xử lý (lọc đa tầng, làm mềm, lọc than hoạt tính), khử ion bằng EDI, và tiệt trùng UV, lọc vi sinh để đạt chuẩn cao nhất.
Với các phần mềm chuyên dụng để đưa ra cấu trúc hợp lý nhất có thể


3. Giải Pháp Ptechcor Cho Hệ Thống RO & Nước WFI
Chúng tôi lựa chọn vật liệu inox 316L cho toàn bộ phần tiếp xúc với nước, xử lý bề mặt đạt độ nhám ≤ 0.4 µm, thực hành theo qui tắc lắp đặt để hạn chế phát triển vi sinh.

Mối hàn được kiểm tra nội soi, đảm bảo không tạo điểm chết. Hệ thống được tích hợp CIP/SIP tự động, giúp vệ sinh và tiệt trùng định kỳ. Chúng tôi cung cấp đầy đủ hồ sơ IQ/OQ/PQ và hỗ trợ thẩm định, giúp khách hàng đáp ứng yêu cầu GMP-EU ngay từ lần kiểm tra đầu tiên.
Với các giai đoạn công nghệ trong đó:
Việc sử dụng các biện pháp để giảm thiểu vi sinh như:
Sử dụng natri hypoclorid để khử trùng nước và oxy hóa các chất hữu cơ, giảm sự tích điện của vi khuẩn
Sử dụng phương pháp định lượng natri metabisulphite để trung hòa và chlorine
Giai đoạn RO 2 cấp
Hệ thống khử khoáng EDI
Khử trùng đèn UV (SS316L, cảm biến chiếu xạ)
Lọc vô trùng cuối cùng 0,2 µm (kiểm tra tính toàn vẹn lõi lọc định kỳ cả lọc khí và lọc nước)
Với thiết kế để hả năng thẩm thấu của thiết kế do Ptechcor thực hiện có thể tận dụng nước với tỷ lệ 60-70% cho cả 2 cấp lọc, phát triển theo các chỉ định cGMP và FDA, bao gồm:
Bơm tăng áp ly tâm bằng thép không gỉ
Bộ chuyển đổi áp suất điện tử tự động điều chỉnh công suất máy bơm
Hệ thống hoàn lưu liên tục

Thiết bị đo trong dây chuyền vệ sinh để theo dõi các thông số quan trọng của sản phẩm, chẳng hạn như độ dẫn điện, nhiệt độ và độ pH, TOC, vận tốc, áp suất…
Tự động hóa hoàn toàn được quản lý thông qua phần cứng và phần mềm tuân thủ GAMP
Khung và bảng điều khiển bằng thép không gỉ AISI 304 satin hoàn thiện
Làm vệ sinh CIP hoặc khử trùng bằng nước nóng 80oC
100% weld inspection / Kiểm tra 100% mối hàn

Xác nhận các tiêu chuẩn quy định và khách hàng
Với vòng LOOP
Thiết kế vòng lặp là kết quả của việc đánh giá cẩn thận các tiêu chí phân phối Điểm Sử dụng như:
Tốc độ dòng tức thời tối đa (liên quan đến số điểm lấy nước đồng thời)
Yêu cầu về áp suất và nhiệt độ
Vấn đề vệ sinh
Yêu cầu và thời lượng tiêu thụ định kỳ
Về cơ khí theo độ dốc qui định, tiêu chuẩn ASME/BPE để kiểm tra chất lượng mối hàn, khả năng thụ động hiệu quả, độ kín thủy tĩnh, khả năng thoát nước hoàn toàn, không có chân chết, động lực học của chất lỏng.
Tài liệu về vòng lặp kỹ lưỡng, bao gồm các bản vẽ đẳng áp, báo cáo hàn, hồ sơ hàn, chứng chỉ thụ động và báo cáo thử nghiệm được cung cấp để hoàn thành việc cung cấp.
Thiết kế chính của hệ thống tuần hoàn phân phối thường liên quan đến việc bơm nước từ Bồn chứa nước tinh khiết đến một số điểm sử dụng khác nhau kết nối nối tiếp và trở lại bình chứa.
- Bồn nước tinh khiết được thiết kế 3 lớp với hai chức năng trong một:
Định kỳ, làm sạch bằng nước nóng bằng hơi nước;
Hoạt động bình thường liên tục, duy trì nhiệt độ nước dưới 25oC bằng nước lạnh. => Thời gian cần thiết để nâng nhiệt độ của nước tinh khiết trong bể PW từ 25oC lên 80oC mất khoảng 60 phút sử dụng hơi từ lò hơi hoặc điện trở gia nhiệt.

Vòng tuần hoàn cấp nước từ bồn nước Bulk tank đến các điểm sử dụng (PoU) được thực hiện bởi PTECHCOR, theo tiêu chuẩn ASME. Tất cả các đường ống đều được kiểm tra thụ động, theo tiêu chí chấp thuận của ASME / BPE, để kiểm tra chất lượng mối hàn, khả năng thụ động hiệu quả, độ kín thủy tĩnh, khả năng thoát nước hoàn toàn, không có chân chết, động lực học của chất lỏng.
Tài liệu về vòng LOOP, bao gồm các bản vẽ sơ đồ hàn, báo cáo hàn, hồ sơ hàn, chứng chỉ thụ động và báo cáo thử nghiệm được cung cấp để hoàn thành việc cung cấp.
4. Giám Sát & Điều Khiển Tự Động Đạt 21 CFR Part 11
Ptechcor tích hợp hệ thống SCADA/PLC cho phép vận hành trực quan, phân quyền người dùng, lưu trữ dữ liệu an toàn, và truy xuất nhanh chóng khi thanh tra. SCADA đạt chuẩn 21 CFR Part 11, đảm bảo tính toàn vẹn dữ liệu và chữ ký điện tử hợp lệ. Chúng tôi thiết lập hệ thống cảnh báo sớm, báo cáo tự động, giúp khách hàng kiểm soát chất lượng nước PW và WFI theo thời gian thực.

Phần mềm này thường được cấu hình trên nền tảng WinCC linh hoạt. Các nền tảng khác có thể được sử dụng theo yêu cầu, như Rockwell Allen / Bradley. Chính sách truy cập an toàn, theo 21 CFR part 11, bao gồm ba cấp độ truy cập khác nhau. Mỗi người dùng được ủy quyền sẽ đăng nhập bằng cách nhập ID người dùng + mật khẩu, sự kết hợp của hai ID này là duy nhất và có thể được người dùng là khách hàng thay đổi trong thời gian sau khi được chuyển giao. Hệ thống điều khiển PTECHCOR được định cấu hình để lưu trữ và hiển thị dữ liệu trực tiếp trong khoảng thời gian yêu cầu.
5. Hồ Sơ & Thẩm Định Hệ Thống RO Dược Phẩm
Mỗi dự án Ptechcor đều được cung cấp bộ hồ sơ đầy đủ: URS, FS, DS, FAT, IQ, OQ, PQ, kèm báo cáo kiểm tra vi sinh, TOC, độ dẫn điện. Chúng tôi đồng hành cùng khách hàng trong suốt quá trình audit và hỗ trợ kỹ thuật sau bàn giao để đảm bảo hệ thống luôn duy trì trạng thái thẩm định.

Kết Luận
Với kinh nghiệm thực tế và hiểu biết sâu về tiêu chuẩn GMP-EU, Ptechcor mang đến giải pháp hệ thống RO dược phẩm và nước WFI tối ưu nhất cho khách hàng.
Tài liệu lưu trữ tự động, nhằm cam kết đồng hành lâu dài, giúp nhà máy đạt chuẩn hóa nhanh chóng, vận hành an toàn và tiết kiệm chi phí.